Cookies

Deze website maakt gebruik van cookies voor het optimaliseren van de gebruikservaring.

  • functionele cookies

    Functionele cookies zijn noodzakelijk om de goede werking van deze website te garanderen. 

  • analytische cookies

    Cookies van Google Analytics en Hotjar worden door deze website gebruikt voor het anoniem analyseren van het gebruik van de website. 

  • tracking

    Deze website maakt optioneel gebruik van de zogenaamde Facebookpixel (tracking cookie) om advertenties te plaatsen die voor jou interessant kunnen zijn. Meer informatie over de privacy-aspecten hiervan is te vinden op Facebook

Ga naar content
Uitvindingen

Matzeliger: Surinaamse uitvinder van de schoenzwikmachine

“Van Surinaamse Slavinner zoon tot Amerikaanse uitvinder”. Zo luidde de kop in Het nieuws in 1958. Het verhaal van Jan Ernst Matzeliger spreekt al een eeuw tot de verbeelding, al wordt het steeds net wat anders verteld. 

Revolutie in de schoenenindustrie

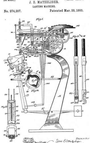
Jan Ernst Matzeliger wordt in 1852 in Suriname geboren als zoon van een plantagehouder en een tot slaaf gemaakte vrouw. Op zijn 19e vertrekt hij, inmiddels vrijgelaten en technisch geschoold, naar Amerika. Hij gaat werken in de schoenindustrie van Massachusetts. Daar vat hij al het plan op om een machine te ontwerpen, waarmee de zool en de leest aan elkaar vastgemaakt kunnen worden. Waar niemand vóór hem slaagde, lukt het Matzeliger na jarenlang zwoegen wél: hij ontwerpt de schoenzwikmachine. Het is een revolutie in de schoenenfabricage. De fabriekseigenaren worden er schatrijk van en 'de gewone man' kan veel goedkoper schoenen kopen. In 1883 wordt het octrooi op zijn naam gezet. Matzeliger kan niet lang genieten van zijn succes. Op zijn 37ste  overlijdt hij aan TBC.